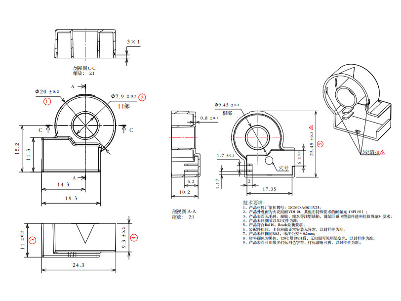
ME2-K外壳 下盖
高频骨架- 浏览: 日期:2026-01-10
作者:青州恒捷电子有限公司
0536-3862688
15689149411(销售)
15689149411(销售)
产品描述
青州恒捷电子有限公司
15689149411(销售)
13143419344(总经理)
0536-3862688
qingzhouhengjie@163.com / liuqitai125@163.com
潍坊市青州市开发区后饮马村

扫一扫微信咨询

扫一扫进入手机端


